
クリエはあらゆる不動産の新たな価値を引き出し、感銘や表情との出会いを追求し、人と社会に貢献します。
| リビング・ダイニングの延長にフリールームをプラス - No.286 - |
|
||||||||||||||||||||||||||||||||||||||||||||||||||||||||||||||||||||||||||||||||||||||||||||||||||||||||||||||||||||||||||||||||||||||||||||||||||||||||||||||||||||||||||||||||||||||||||||||||||||||||||||||||||||||||||||||||||||||||||||||||||||||||||
| >>HOMEへ戻る >>戸建て実例一覧へ戻る |

クリエはあらゆる不動産の新たな価値を引き出し、感銘や表情との出会いを追求し、人と社会に貢献します。
| リビング・ダイニングの延長にフリールームをプラス (No.286) |
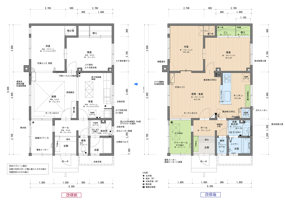
| この度の物件は、築38年になる共同住宅(3世帯)を購入された個人のお客様によるリノベーションのご依頼です。 もともとの所有者の方は、1階にお住まいで、2階部分の2室を賃貸住宅として利用されておりましたが、ご高齢により、施設に入所することになり売却となりました。新しい所有者の方においては、既存の共同住宅のままで利用されることで、まずは1階部分を重点的にリノベーションすることになりました。 今後、賃貸で入居される人々のライフスタイルに対応できる間取りや住宅設備に交換。機能性にも優れた改修を目指しスタート。年末までに工事を終え、早速、翌年1月中旬に入居者が決まりました。わずか2週間程度のスピードにオーナーも大喜び |
| 【立地】 |
| 豊平公園そばの閑静な住宅街。豊かな緑、広い公園、美しい街並み、地下鉄「豊平公園駅」が徒歩圏内。 小学校、コンビニ、スーパーが徒歩3分程度。 |
| 【間取り】 |
| 1階部分 2LDK+フリールーム(62.37u)日当り良好、玄関が独立しているので戸建て感覚。 |
| 【その他】 |
| 駐車スペース2台確保、ロードヒーティング。 |
| 【リノベーションのポイント】 |
快適な暮らしを実現する間取りへ変更 |
| |
|
![]() |
| ■独立型のダイニング・キッチン。ガス炊飯器用のガス栓があり、懐かしい雰囲気の台所 | |
![]() |
|
| ■キッチン横は洗面スペース薄暗い様子 ■洗面横には、2F住戸の給水管と水抜栓あり |
■天井はジプトーン貼り トラバーチン模様 天井が灰色に見え、穴だらけでイメージダウン |
![]() |
![]() |
| ■調理中も家族の様子を見たりコミュニケーションがとれる対面キッチン。右奥は洗濯機スペースへ変更 | ■キッチン上の吊戸棚をあえて後ろ側に取り付け。開放的なキッチンに… |
![]() |
■天井は、ボードを貼り、 クロス仕上げ ■洗濯機スペース 袖壁は一部オープン 明るく、風通しも良い。 |
![]() |
★ 共同住宅のため、2F住戸の給水管や水抜き栓が1F台所床から立ち上がっておりました。給水管は鉄管部分を架橋ポリ管に一部変更し、 水抜栓はパッキン交換済み。 |
| 一階台所スペースには、パイプシャフト(PS)を設け、点検口を取り付けました。(写真参照 ↑) また、排水においては、排水時に音がするため、遮音シートを巻くことで、軽減されました。一般住宅にはない特性であり、目に見えないところも大切なので、オーナーも快く承諾をいただきました。 |
|
リビング横の洋室に 間仕切壁と引戸を設置 |
| ■煙突式の暖房機+床暖 煙突が隣りの部屋にまたがっているので、完全な部屋とはならない。 |
|
| ■リビング横洋室 天井まである収納だが上段の棚は奥行きがあり、出し入れ困難。また扉もなく見栄えも良くない。 |
■以前、暖炉を設置していたと思われる開口部 |
![]() |
■リビングと洋室は間仕切壁を設置。既存の3方枠を切り詰め再利用し、ハンガー戸を新設。 |
![]() |
![]() |
| ■リビング横洋室 両開きの扉を取り付け内部は棚1段とポールでクロゼットに ■壁は、さわやかなグリーンのアクセントクロス |
■以前、暖炉として設置していたと思われる開口部をふさぎ、戸袋としました。 |
スムーズな動線と使いやすい水廻り |
| 【脱衣所】 | |
| ■床置の給湯機 床暖ボイラーで洗濯機を置くと脱衣スペースがごくわずか ■室内にガスメーターあり |
|
| 【浴室】 | 【トイレ】 |
| ■床暖は入っているが壁面がタイルなので冷たい感じに目地の汚れも気になります。 | ■タンク下や便器後方は、掃除がしにくい。凸凹したカタチの便器の後方には水抜栓あり |
| 【洗面・脱衣所】 | |
![]() |
■正面にあった窓を塞ぎ造り付けの洗面化粧台と2面鏡(収納付)を取付。ボイラーは壁掛けでスッキリ納まりました。 |
| 【浴室】 | 【トイレ】 |
![]() |
![]() |
| ■お掃除しやすいスッキリとしたデザイン。内窓も樹脂サッシになりお手入れラク。ランドリーパイプ2本も便利。 | ■便器の両サイドにはゆとりができ、全体的に明るくさわやかなイメージに。 ■扉上は収納棚 壁面に手摺り設置 |
![]() |
★ 昭和54年頃の住宅ですと、室内に都市ガスのメーターがあり(写真:脱衣所上部) 毎月のメーター検針もわずらわしさがあることから、外部に移設をしました。(写真:右) |
| また、各所水廻りには水抜き栓が床から立ち上がっており、冬期の水抜作業も大変なので、ワンタッチ操作で水の凍結を防ぐ電動水抜栓開閉装置を洗面・脱衣所に取付。(写真:右) | |
収納スペースをフリールームへ |
| 【収納スペース】 | |
| ■もともと外部だったところを前所有者により増築 ■収納や作業スペースとして利用 |
■リビングの段差もあり行き来しづらい ■左奥には散水栓あり |
| 【フリールーム】 | |
| 〜 基本的な生活空間以外に、自由に使えるゆとりある空間を実現 〜 | |
![]() |
![]() |
| ■大工さんに床組みを依頼 プラスアルファのスペース「フリールーム」をしつらえました。 ■また、もともと台所にあった床下収納庫を移設。収納庫を取り出すとスキーやタイヤ除雪用具など豊富に収納 |
■リビングとの段差もわずかとなりリビングの延長として使用できます。 ■散水栓は再利用することとし、ホースを延長しカースペースで洗車もOK! |
![]() |
■趣味や子供の遊び場など幅広く活用いただけます。 ■床材はメンテナンスしやすい クッションフロア。木材にペイントした柄で独特な風合いが味わいのある空間を演出 |
| 【今後について】 | ||||
| 建物の条件や予算に応じた性能向上を図り、計画的な点検・定期修繕・リフォームの実施で適切な維持管理をすることが必要な取り組みと思います。 | ||||
| >>HOMEへ戻る >>中古住宅 実例一覧へ戻る |